事例:ブレイトンサイクル
1. ブレイトンサイクルの過渡解析
この事例では、圧縮空気を生成するためのブレイトンサイクル(再生サイクル)のシミュレーションを行います。ブレイトンサイクルの模式図を図 1に示します。

図 1 ブレイトンサイクルの模式図
このモデルでは、空気圧縮機の吐出圧力を170kPaに保つために、PID制御によって貯蔵タンク(Inventory tank)の接続部の圧力を調節しています。今回は、計算開始から5秒後に、空気圧縮機の吐出側バルブ(Extraction point)の口径が0.041mから0.063mまで開く場合の過渡解析を行いました。
2. Flownexによるモデル化
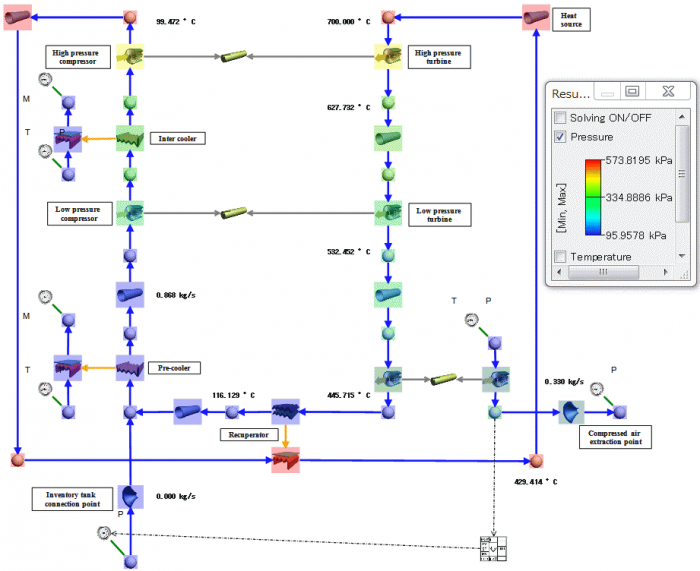
Flownexによるブレイトンサイクルの簡易モデルを図 2に示します。空気圧縮機の吸入圧力と吐出側バルブの2次側圧力は大気圧と等しくなっています。それぞれの圧縮機とタービンは性能曲線によってモデル化され、シャフトによって動力が伝達されています。また、このサイクルの熱源(Heat source)は700℃に設定されています。

図 2 Flownexによるブレイトンサイクル
3. シナリオ設定
初期値を設定するために、まず定常解析を行います。過渡解析での吐出側バルブの口径(開度)の変化を図 3に示します。吐出側バルブの1次側圧力が170kPaに保たれるように、PID制御で貯蔵タンクの接続部の圧力を調節します。

図 3 吐出側バルブの開度
4. 過渡解析結果
サイクル内の各点における圧力の変化を図 4、質量流量の変化を図 5に示します。また、各タービンの回転速度の変化を図 6に示します。

図 4 サイクル内の圧力

図 5 サイクル内の質量流量

図 6 タービンの回転速度
5. 熱量の変化
熱源の出口温度(700℃)を一定に保つために必要な熱量の変化を図 7に示します。

図 7 熱源の熱量


















