事例:都市ガスネットワーク
1. 都市ガスネットワークの解析概要
都市ガスネットワークのモデルを示します。Flownexでは大規模なモデルも短時間で計算することができます(このモデルは通常のノートパソコンで約0.9秒)。
ここでは等温流れを仮定して、ネットワーク内の供給圧力を決定しています。温度は周辺環境と同じ15℃にします。また、ネットワーク内の各コンポーネントを流れるガスの質量流量は0~12.98kg/sの範囲となるように設定します。
定常解析の結果から、ネットワーク内の供給ガスの全体積は18172.778m3であることが確認されました。圧力分布、質量流量分布、体積流量分布、流速分布等を以下に示します。
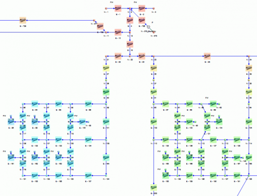
2. ネットワークの圧力分布
都市ガス供給網全体の圧力分布を示します。全体図でネットワーク構成を把握し、拡大図で詳細な圧力変化を確認することができます。

図 1 ガス供給網の圧力分布(全体図)

図 2 ガス供給網の圧力分布(拡大図)
3. 質量流量分布の解析
ネットワーク内の各配管を通過するガスの質量流量分布を可視化します。流量の大小によって配管サイズの適正性やシステム全体の効率を評価することができます。

図 3 ガス供給網の質量流量分布
4. 体積流量分布の解析
ネットワーク内の体積流量分布を示します。体積流量は圧力や温度の影響を受けるため、実際のガス輸送能力を評価する上で重要な指標となります。

図 4 ガス供給網の体積流量分布
5. 流速分布の解析
配管内のガス流速分布を可視化します。流速は配管の摩擦損失や騒音に関係するため、適切な範囲に収まっているかを確認することが重要です。

図 5 ガス供給網の流速分布
6. 温度分布の解析(等温流れ)
本モデルでは等温流れを仮定しているため、ネットワーク全体で温度は周辺環境と同じ15℃に保たれています。実際の運用では熱交換による温度変化も考慮することができます。

図 6 ガス供給網の温度分布


















